
地 址:上海市金山區興塔工業區
咨詢電話:021-57362601
圖文傳真:021-33250343
電子郵箱:hanyuev@126.com
網 址:http://www.mls998.com
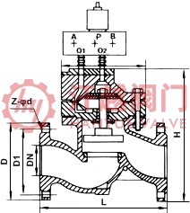
J841X電磁液動隔膜排泥閥由閥體、閥蓋、閥板、閥桿、膜片、隔膜式壓力腔等零部件和控制系統組成。主要安裝在給排水、污廢水、石油、化工等領域的反應池、沉淀池及凈化設備等作排泥,排污用,特別適合用在啟動頻繁的工況場合。其驅動壓力源靠外部大于管道本身壓力加0.2MPa左右長期供應,只需對電磁換向閥通電或斷電便能改變流體進入隔膜上下腔,從而帶動閥板上升或下降,起到閥門的啟閉,快速排除污泥。本產品也可采用氣動、電動等其它驅動方式,以及手動或電動集中控制。
序號 | 部件名稱 | 材料名稱 | ||||
1 | 閥 體 | HT200 | QT450-10 | WCB | CF8 | CF8M |
2 | 閥 蓋 | HT200 | QT450-10 | WCB | CF8 | CF8M |
3 | 閥 板 | HT200 | QT450-10 | WCB | CF8 | CF8M |
4 | 閥 桿 | 2Cr13 | 2Cr13 | 2Cr13 | 304 | 316 |
5 | 膜 片 | NBR/EPDM | NBR/EPDM | NBR/EPDM | NBR/EPDM | NBR/EPDM |
6 | 膜 片 座 | HT200 | QT450-10 | WCB | CF8 | CF8M |
7 | 螺 栓 | 35 | 35 | 35 | 304 | 316 |
8 | 螺 母 | 45 | 45 | 45 | 304 | 316 |
公稱壓力PN(MPa) | 0.25 | 0.6 | 1.0 | 1.6 | 2.0 |
殼體試驗壓力(MPa) | 0.375 | 0.9 | 1.5 | 2.4 | 3.0 |
高壓液密封試驗壓力(MPa) | 0.275 | 0.66 | 1.1 | 1.76 | 2.2 |
低壓氣密封試驗壓力(MPa) | 0.275 | 0.66 | 0.6 | 0.6 | 0.6 |
驅動壓力 | 管道實際壓力+0.2MPa | ||||
驅動介質 | 清水、空氣、油品或按訂貨合同要求 | ||||
法蘭標準 | GB/T 17241.6-2008、JB/T 79-2015、GB/T 9113-2010、ASME B16.5-2017等 | ||||
檢驗試驗 | GB/T 13927-2008、API 598-2016 | ||||
介質溫度 | 0℃ ~ 80℃ | ||||
公稱壓力 PN | 公稱通徑 DN | 尺寸mm | ||||||
L | H | D | D1 | D2 | b-f | Z-?d | ||
10 | 50 | 230 | 225 | 165 | 125 | 102 | 18-3 | 4-18 |
80 | 285 | 270 | 200 | 160 | 138 | 20-3 | 8-18 | |
100 | 360 | 375 | 220 | 180 | 158 | 20-3 | 8-18 | |
150 | 455 | 450 | 285 | 240 | 212 | 22-3 | 8-22 | |
200 | 585 | 645 | 340 | 295 | 268 | 24-3 | 8-22 | |
250 | 720 | 770 | 395 | 350 | 320 | 26-3 | 12-22 | |
300 | 800 | 900 | 445 | 400 | 370 | 26-4 | 12-22 | |
400 | 960 | 1030 | 565 | 515 | 482 | 26-4 | 16-26 | |
表中只列出了部分JB/T 79-2015標準PN10法蘭連接外形尺寸。如需其他規格尺寸,請咨詢汗越閥門技術部! | ||||||||

如果你需訂購我廠排泥閥產品,咨詢時煩請告知公稱通徑、公稱壓力、閥體材質、法蘭標準及法蘭密封面形式等,本產品電磁閥線圈電壓有DC24V和AC220V兩種,訂貨時請注明!
網站首頁