
地 址:上海市金山區興塔工業區
咨詢電話:021-57362601
圖文傳真:021-33250343
電子郵箱:hanyuev@126.com
網 址:http://www.mls998.com

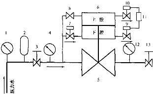
圖1 軟密封閘閥測試系統原理
1.壓力表 2.穩壓容器 3.水系統閥 4.閥前壓力表 5.被測試軟密封閘閥 6.膜片雙腔控制裝置
7.常閉電磁閥 8 . 閘閥 9.常閉電磁閥 10.常開電磁閥 11.計數器 12.閥后壓力表 13.閥后控制閥
按圖1所示測試系統,采用的電磁閥電壓為220V,系統經穩壓后的測試水壓為,0.3MPa。1、當常閉電磁閥7通電時,該常閉電磁閥打開,管道中的壓力水通過連接管進入膜片控制室下腔,而電磁閥9、10均不通電,則常閉電磁閥9處于關閉狀態,常開電磁閥10處于打開狀態。此時,膜片控制室下腔壓強增大,而膜片控制室上腔則正在進行排空,從而實現膜片控制裝置上下腔壓強差,由膜片壓板帶動閥板上升而開啟。
2、當常閉電磁閥7不通電時,電磁閥,9、10通電,管道中的壓力水通過閘閥截流后進入膜片控制室上腔,下腔則由于常閉電磁閥9的打開而排空,從而使膜片壓板帶動閥板下降而關閉。
3、測試系統原理裝置設定關閉時間為70S,開啟時間為50S,一個循環為2min,記數器對每一個啟閉循環記錄一次。
4、按照測試系統原理進行的此次軟密封閘閥靜壓壽命測試,完全符合JB/T 8858-2004《閘閥靜壓壽命試驗規程》試驗要求,被測試的軟密封閘閥密封性能完全符合GB/T 13927的規定。
5、依據測試設計安排,分別在閥板啟閉循環2520次、5000次、10000次、14545次、30 676次、41955次、51508次時拆閥解體檢查閥板的磨損情況,并依次記錄閥板各測量點的磨損情況。閥板測量點分布如圖2所示。
圖2 軟密封閘閥閥板測量點分布
網站首頁